购物车(
0
)
我的订单
会员中心
登入
重要讯息
常见问题
联络我们
首页
公司简介
专案应用
单体/模块
单体
声音模块
DIY套件
HI-Fi
箱体建议
成品(系统)
吸顶喇叭
入墙喇叭
开关喇叭
功放
其它
谐振板
一般谐振板
谐振板搭配专案
谐振式喇叭
风管
线材
吸音/减振棉
吸音棉
减振棉(雜棉)
首页
>
单体/模块
>
单体
>
W35-1315SJ
☆ 春节假期:2/7~3/1停止发货!
☆ W4-2356 重磅登場
☆ TW3-2402S
☆ 全频同轴 W4-2315
☆ #0030.001 Y插 喇叭线
☆ AMH200-100 2.0 功放, 50W每声道
☆W1-2396S 1”扁平PP全频喇叭
☆ W4-2414 & W4-2417 4”全频. 双材质鼓纸, 高频可达40K Hz.
prev
next
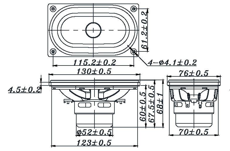
W35-1315SJ
3x5" PPM膜 全音域
PDF
产品描述 :
全音域单体设计
加强尼龙盆架, 钕铁硼磁回系统设计
铝质子弹头防尘帽
PP胴体与山都平(SANTOPRENE)悬边
适用于各式汽车音响, 家庭剧院, 以及多媒体应用
防磁设计
单位 : 个
毛重 : 0.63公斤
购物车
W35-1315SJ
单价
¥0.0
缺货
大量订购
产品介绍
技术参数
喇叭尺寸:
3x5"
产品类别:
全音域
振膜材质:
Black color PPM
悬边材质:
Santoprene
额定阻抗:
8 Ω
直流阻抗:
6.8 Ω
效率 1W/1m:
87 dB
频宽:
80~20 K Hz
自然谐振点:
80 Hz
音圈尺寸:
25.4 mm
磁间隙厚度:
10 mm
额定功率:
20 W
最大功率:
40 W
B*L值:
4.02 TM
磁钢类型:
Neodymium
悬挂质量:
2.99 g
磁液补强:
No
顺服性:
1316 uMW¯¹
有效面积:
0.0047 M²
感抗(Levc):
0.009 mH
阻抗峰(Zo):
26 Ω
X-max:
3 mm
等效空气容积(Vas):
4.13 Litr
总Q值(Qts):
0.47
机械Q值(Qms):
1.75
电气Q值(Qes):
0.63