购物车(
0
)
我的订单
会员中心
登入
重要讯息
常见问题
联络我们
首页
公司简介
专案应用
单体/模块
单体
声音模块
DIY套件
HI-Fi
箱体建议
成品(系统)
吸顶喇叭
入墙喇叭
开关喇叭
功放
其它
谐振板
一般谐振板
谐振板搭配专案
谐振式喇叭
风管
线材
吸音/减振棉
吸音棉
减振棉(雜棉)
首页
>
单体/模块
>
单体
>
25-302SM
☆ 春节假期:2/7~3/1停止发货!
☆ W4-2356 重磅登場
☆ TW3-2402S
☆ 全频同轴 W4-2315
☆ #0030.001 Y插 喇叭线
☆ AMH200-100 2.0 功放, 50W每声道
☆W1-2396S 1”扁平PP全频喇叭
☆ W4-2414 & W4-2417 4”全频. 双材质鼓纸, 高频可达40K Hz.
prev
next
25-302SM
25mm 布膜内磁式高音
PDF
产品描述 :
透明软球顶高阻尼性布膜设计
有加磁液冷却
阻尼特性羊毛毡
ABS前面板
钕铁硼磁回系统
CCAW音圈线
毛重 : 0.13公斤
购物车
25-302SM
单价
¥0.0
缺货
大量订购
产品介绍
技术参数
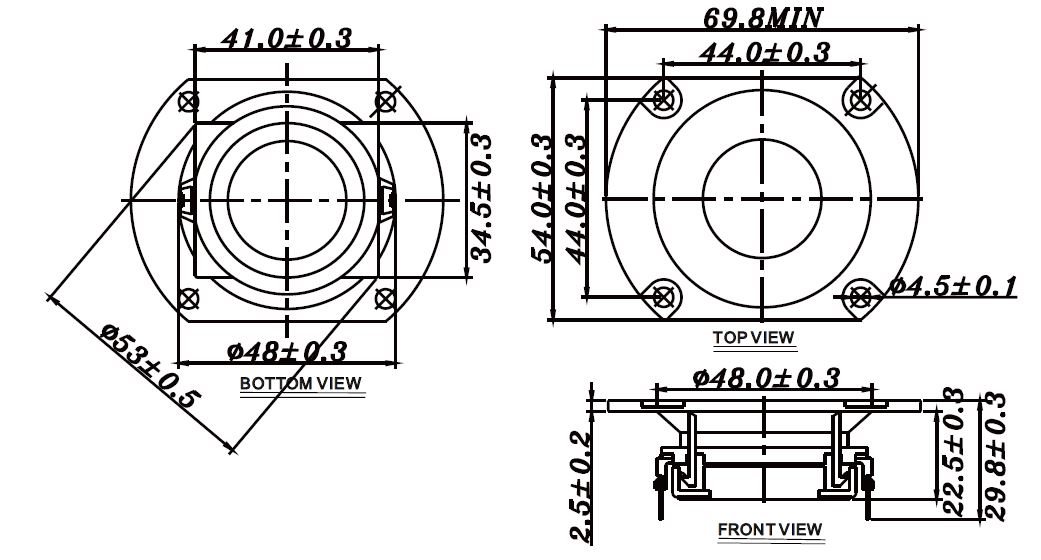
喇叭尺寸:
25mm
产品类别:
高音
振膜材质:
Fabric
额定阻抗:
8 Ω
直流阻抗:
6 Ω
效率 1W/1m:
91 dB
频宽:
1400-20K Hz
自然谐振点:
1400 Hz
音圈尺寸:
25.4 mm
磁间隙厚度:
2 mm
额定功率:
8 W
最大功率:
80 W
磁钢类型:
Neodymium
磁液补强:
Yes
X-max:
N/A mm
类似产品
25-2234SD
25-2234SE
25-381SA
25-1983
25-1744S